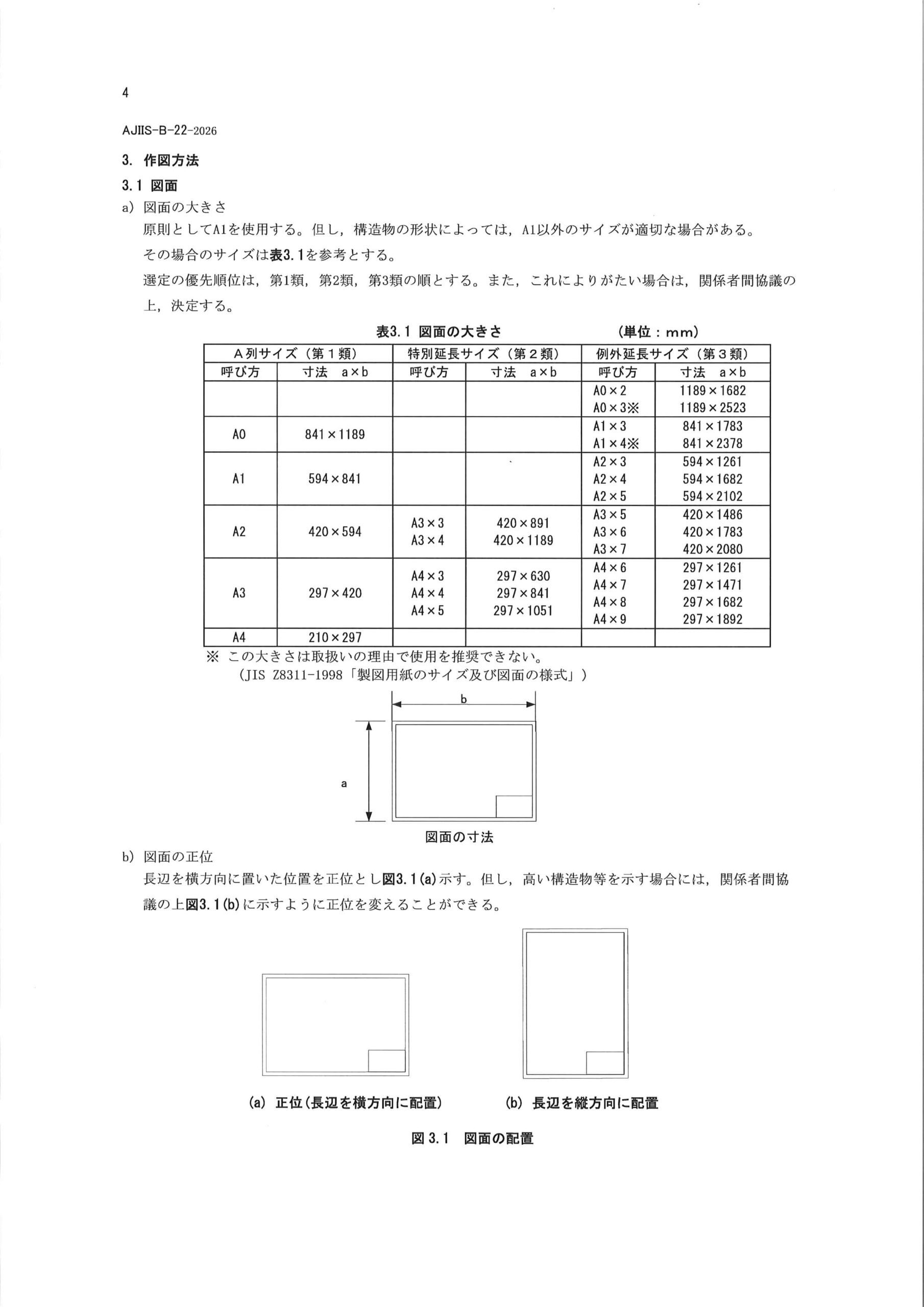
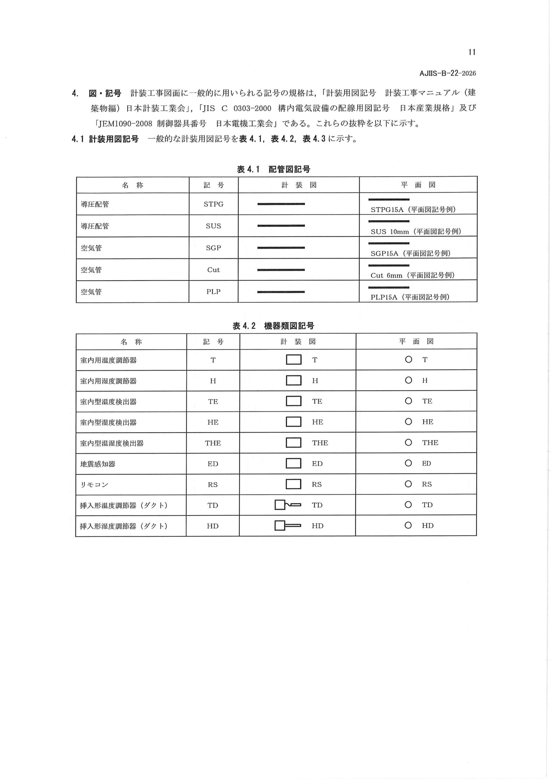
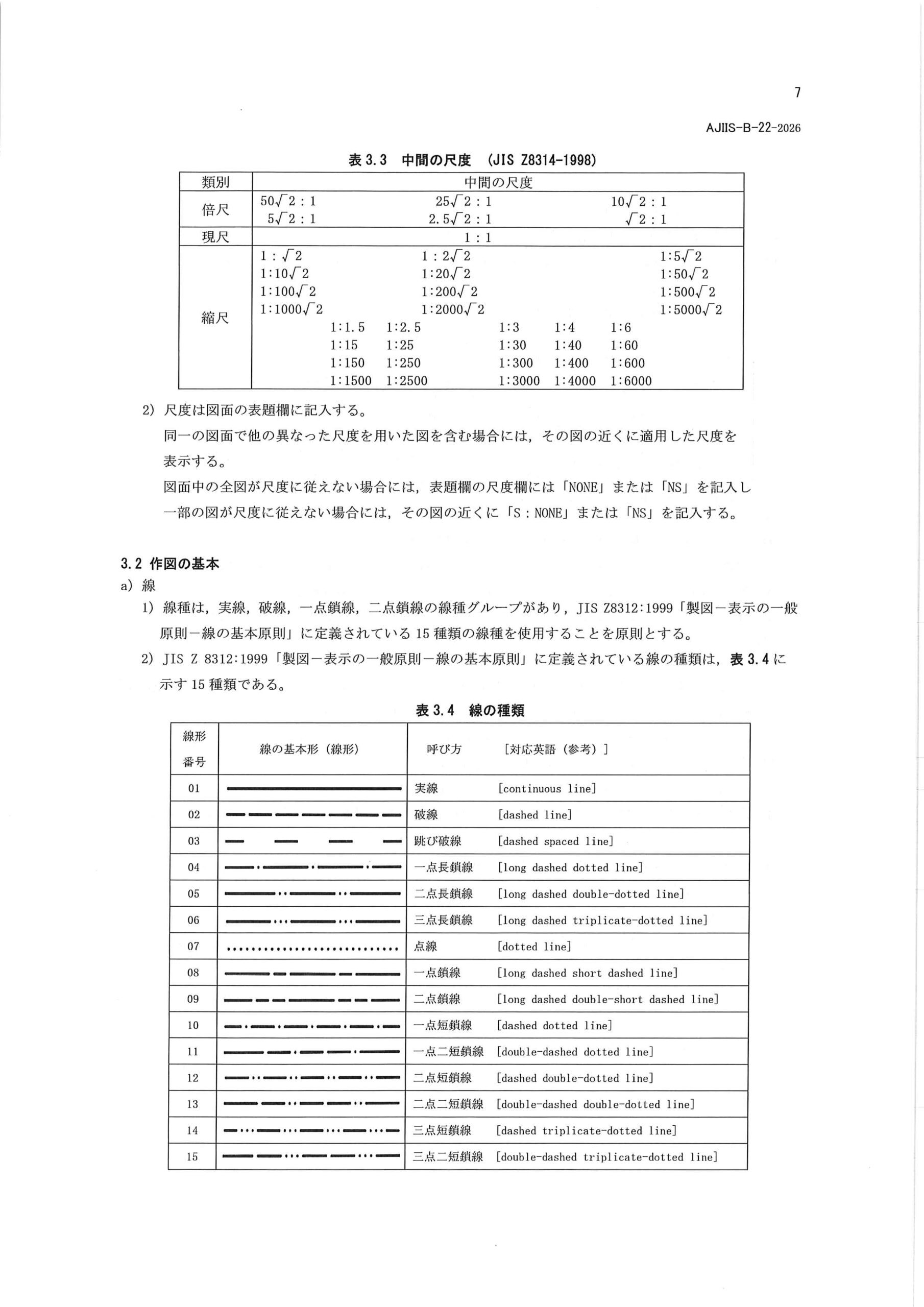
計装工事図面作成【建築物編】2016年版

AJIIS-B-22-2016

計装工事図面作成【建築物編】2016年版  (AJIIS-B-22-2016)

販売価格(税込)
¥2,530
在庫状態 : 在庫有り

計装工事図面の作成要領及び部品図・参考図を示したものに計装工事標準図を加えた書籍

建築物向けの書籍となります

数量
AJIIS-B-22-2016AJIIS-B-22-2016AJIIS-B-22-2016AJIIS-B-22-2016AJIIS-B-22-2016AJIIS-B-22-2016AJIIS-B-22-2016AJIIS-B-22-2016AJIIS-B-22-2016AJIIS-B-22-2016AJIIS-B-22-2016AJIIS-B-22-2016AJIIS-B-22-2016AJIIS-B-22-2016AJIIS-B-22-2016AJIIS-B-22-2016AJIIS-B-22-2016AJIIS-B-22-2016